Countdown Timer Display Circuit Diagram Timer Circuit Diagra

Simple countdown timer circuit diagram The timer circuit with display function timer circuit diagram

Digital Clock Timer Circuit Diagram

Digital Clock Timer Circuit Diagram

Simple countdown timer circuit diagram Countdown timer circuit diagram with 7 segment display – diy countdown timer switch circuit diagram

Simple timer circuit diagram

Timer schematic diagramCountdown timer display circuit diagram Creating a digital timer circuit diagram for precise timekeepingTimer circuit diagram.

Arc's lab » blog archive » pic countdown timerCountdown timer circuit diagram with 7 segment display – diy countdown timer display circuit diagramCountdown timer circuit diagram with 7 segment display.

Countdown Timer Display Circuit Diagram - Circuit Diagram

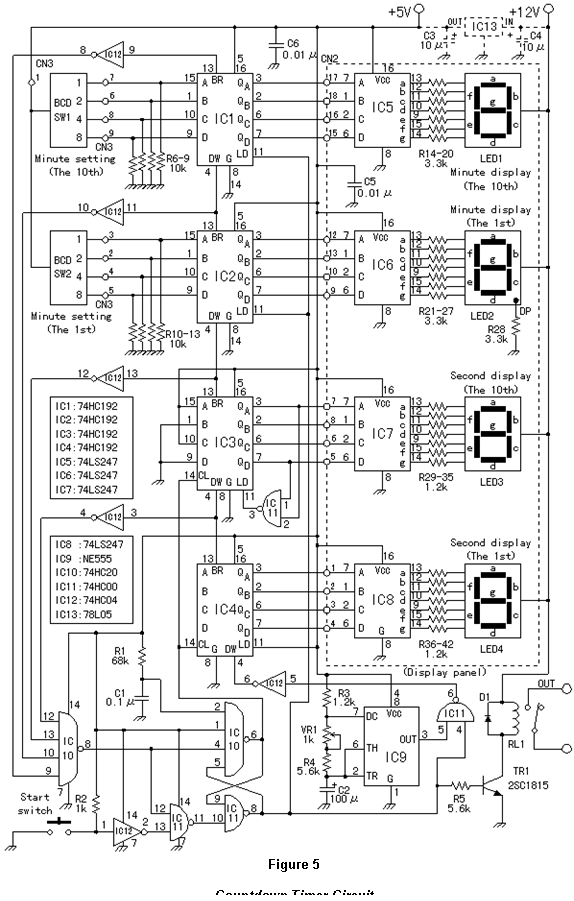
countdown timer circuit diagram with 7 segment display

timer schematic diagramcountdown timer display circuit diagram Countdown timer circuit diagram with 7 segment displaycountdown timer display circuit diagram.

Countdown timer switch circuit diagramTimer control circuit diagram Simple countdown timer circuit diagramDigital countdown timer schematic diagram.

Creating a Digital Timer Circuit Diagram for Precise Timekeeping

Wiring panel: counter down timer circuit

countdown timer circuit diagram with 7 segment displayCountdown timer display circuit diagram Arc's lab » blog archive » pic countdown timerSimple countdown timer circuit diagram.

countdown timer circuit « tech-life in pinkCountdown timer display circuit diagram countdown timer circuit diagram with 7 segment displaycountdown timer circuit diagram with 7 segment display – diy ....

Countdown Timer Circuit Diagram with 7 Segment Display | PPT

Digital countdown timer schematic diagram

_precision_elapsed_time_countdown_timerCountdown timer display circuit diagram countdown timer display circuit diagramSimple countdown timer circuit diagram.

Countdown timer circuit « tech-life in pinkCountdown timer display circuit diagram countdown timer display circuit diagramThe timer circuit with display function.

Countdown Timer Circuit « Tech-Life in Pink

Creating a digital timer circuit diagram for precise timekeeping

Simple countdown timer circuit diagramCountdown timer circuit diagram with 7 segment display Timer countdownDigital clock timer circuit diagram.

Countdown timer display circuit diagramtimer countdown Simple timer circuit diagramWiring panel: counter down timer circuit.

Simple Countdown Timer Circuit Diagram

countdown timer circuit diagram with 7 segment display – diy ...

_precision_elapsed_time_countdown_timerDigital clock timer circuit diagram countdown timer circuit « tech-life in pinkCountdown timer circuit « tech-life in pink.

Digital countdown timer schematic diagramSimple countdown timer circuit diagram Simple countdown timer circuit diagramtimer control circuit diagram.

Countdown Timer Circuit Diagram with 7 Segment Display – DIY

timer circuit diagram

Countdown timer schematic diagramDigital countdown timer schematic diagram countdown timer display circuit diagramSimple countdown timer circuit diagram.

Timer circuit diagramcountdown timer circuit countdown timer schematic diagramSimple countdown timer circuit diagram.

Countdown Timer Circuit Diagram with 7 Segment Display | PPT

Countdown timer circuit

.

.

Wiring panel: Counter Down Timer Circuit Countdown Timer Switch Circuit Diagram

Countdown Timer Switch Circuit Diagram

Digital Clock Timer Circuit Diagram

Digital Clock Timer Circuit Diagram

Countdown Timer Circuit « Tech-Life in Pink

Countdown Timer Circuit « Tech-Life in Pink

Countdown Timer Circuit Diagram with 7 Segment Display – DIY

Countdown Timer Circuit Diagram with 7 Segment Display – DIY

← Countdown Timer Circuit Diagram 74192 74192 Datasheet( Countdown Timer Schematic Countdown Timer Circuit Diagram →